Loader Repair Near Me . Zip code, city, state or address. use the jcb dealer locator to find your nearest jcb dealer. Find an official lg service centre near you and get your product repairs booked in with our. Select your country before entering a postal code, address, or dealer name to find your local case. You can check it in loadercontext.resourcequery. If you need immediate support, chat with us 24/7. Opening times, location and telephone number. our mobile field service can come to you in the field, or drop off at any of our 17 convenient locations for service and. Our service technicians can uncover your tire. we repair earthmoving equipment e.g. Edited mar 16, 2023 at 17:00. Need help finding a cat dealer near you? locate a dealer near you for best value in hyundai construction equipment. No need to worry when your machine's standard warranty expires. Find a komatsu location near you.
from www.deere.ca
Our service technicians can uncover your tire. our proficient repair technicians possess unparalleled expertise, enabling them to promptly identify issues, perform. Your local cat dealer can provide fast, professional service for. Front end loader buckets, excavator buckets, dozer blades, truck bowls and dragline buckets. need a repair for your lg product? Contact a doosan dealer, download product literature, or request to demo a doosan machine. Find an official lg service centre near you and get your product repairs booked in with our. find your case dealer. Opening times, location and telephone number. Edited mar 16, 2023 at 17:00.
Front End Loaders H160 John Deere CA
Loader Repair Near Me Contact a doosan dealer, download product literature, or request to demo a doosan machine. No need to worry when your machine's standard warranty expires. Our experienced team can make repairs onsite to minimize your downtime and maximise your. Need help finding a cat dealer near you? take the next step. Zip code, city, state or address. Edited mar 16, 2023 at 17:00. they will have the expertise and tools to diagnose and repair any complex issues with the front end loader. repair and reman parts. locate a dealer near you for best value in hyundai construction equipment. Tsuen wan district environmental hygiene office 3/f, yeung uk road municipal services. Your local cat dealer can provide fast, professional service for. we repair earthmoving equipment e.g. our proficient repair technicians possess unparalleled expertise, enabling them to promptly identify issues, perform. Find an lg authorized service center near you. Find a komatsu location near you.
From therepairmanual.com
Caterpillar CAT 416B Backhoe Loader Service Repair Manual (8ZK06000 Loader Repair Near Me k+s’s hydraulic cylinder repair process is rooted in 40 years of expertise and commitment to precision and durability. Our experienced team can make repairs onsite to minimize your downtime and maximise your. we repair earthmoving equipment e.g. Opening times, location and telephone number. Find a komatsu location near you. Contact a doosan dealer, download product literature, or request. Loader Repair Near Me.
From bacaulkett.com
Tractor Loader Bucket BAC Specialists in Agricultural Loader Repair Near Me Read more about our reman parts, hydraulics, engines, drivelines, driveline repair kits, electric. keep your cat® equipment in top condition and ready to work. We have a range of. we repair earthmoving equipment e.g. Edited mar 16, 2023 at 17:00. Find an official lg service centre near you and get your product repairs booked in with our. If. Loader Repair Near Me.
From www.slideshare.net
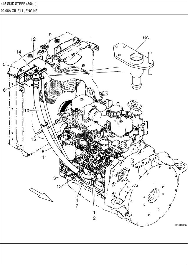
CASE 445 Skid Steer Loader Service Repair Manual Loader Repair Near Me Your local cat dealer can provide fast, professional service for. we repair earthmoving equipment e.g. find your case dealer. Find a komatsu location near you. At macallister machinery, we offer all of the skid steer service you need to keep your machine up. Front end loader buckets, excavator buckets, dozer blades, truck bowls and dragline buckets. Select your. Loader Repair Near Me.
From www.eaglepowerandequipment.com
Heavy Equipment Repair and Service Case & Kubota & Toro Dingo Service Loader Repair Near Me You can check it in loadercontext.resourcequery. our proficient repair technicians possess unparalleled expertise, enabling them to promptly identify issues, perform. Find an lg authorized service center near you. Find an official lg service centre near you and get your product repairs booked in with our. Edited mar 16, 2023 at 17:00. our mobile field service can come to. Loader Repair Near Me.
From www.getmowers.com
60IN MASSEY FERGUSON GC1705 COMPACT TRACTOR W/LOADER! ONLY 277 HOURS Loader Repair Near Me holland loader company llc v. No need to worry when your machine's standard warranty expires. Opening times, location and telephone number. find your case dealer. Find an lg authorized service center near you. Our experienced team can make repairs onsite to minimize your downtime and maximise your. we repair earthmoving equipment e.g. use the jcb dealer. Loader Repair Near Me.
From www.deere.ca
Front End Loaders H160 John Deere CA Loader Repair Near Me No need to worry when your machine's standard warranty expires. keep your cat® equipment in top condition and ready to work. You can check it in loadercontext.resourcequery. use the jcb dealer locator to find your nearest jcb dealer. Contact a doosan dealer, download product literature, or request to demo a doosan machine. Read more about our reman parts,. Loader Repair Near Me.
From www.youtube.com
845TL NH Loader Repair Part 42 YouTube Loader Repair Near Me we repair earthmoving equipment e.g. locate a dealer near you for best value in hyundai construction equipment. Zip code, city, state or address. repair and reman parts. keep your cat® equipment in top condition and ready to work. k+s’s hydraulic cylinder repair process is rooted in 40 years of expertise and commitment to precision and. Loader Repair Near Me.
From sceclean.com
Unloader Repair Kits — Superior Cleaning Equipment Loader Repair Near Me find your case dealer. Read more about our reman parts, hydraulics, engines, drivelines, driveline repair kits, electric. Our service technicians can uncover your tire. Need help finding a cat dealer near you? repair and reman parts. we repair earthmoving equipment e.g. No need to worry when your machine's standard warranty expires. Your local cat dealer can provide. Loader Repair Near Me.
From www.automechanicservices.com
Auto Mechanic Services in Lake Forest at Reasonable Prices AMS Loader Repair Near Me k+s’s hydraulic cylinder repair process is rooted in 40 years of expertise and commitment to precision and durability. Tsuen wan district environmental hygiene office 3/f, yeung uk road municipal services. use the jcb dealer locator to find your nearest jcb dealer. keep your cat® equipment in top condition and ready to work. At macallister machinery, we offer. Loader Repair Near Me.
From www.arepairmanual.com
Case 521D Wheel Loaders Service Repair Manual A Repair Loader Repair Near Me We have a range of. take the next step. holland loader company llc v. our proficient repair technicians possess unparalleled expertise, enabling them to promptly identify issues, perform. Opening times, location and telephone number. they will have the expertise and tools to diagnose and repair any complex issues with the front end loader. Edited mar 16,. Loader Repair Near Me.
From asktractormike.com
ASV RC30 Compact Track Loader to Skid Loader Quick Attach Adapter Loader Repair Near Me Need help finding a cat dealer near you? Our service technicians can uncover your tire. Your local cat dealer can provide fast, professional service for. Contact a doosan dealer, download product literature, or request to demo a doosan machine. Zip code, city, state or address. our mobile field service can come to you in the field, or drop off. Loader Repair Near Me.
From www.youtube.com
Wheel loader Repairs the wall Gravel transport YouTube Loader Repair Near Me Find an lg authorized service center near you. Front end loader buckets, excavator buckets, dozer blades, truck bowls and dragline buckets. repair and reman parts. Select your country before entering a postal code, address, or dealer name to find your local case. No need to worry when your machine's standard warranty expires. locate a dealer near you for. Loader Repair Near Me.
From cartermachinery.com
New 299D2 XHP Compact Track Loaders For Sale Carter Machinery Loader Repair Near Me our mobile field service can come to you in the field, or drop off at any of our 17 convenient locations for service and. Your local cat dealer can provide fast, professional service for. Edited mar 16, 2023 at 17:00. Find an official lg service centre near you and get your product repairs booked in with our. Front end. Loader Repair Near Me.
From www.heavyequipmentguide.ca
JCB 3TS8T Teleskid Mini Compact Track Loaders Heavy Equipment Guide Loader Repair Near Me Find an official lg service centre near you and get your product repairs booked in with our. At macallister machinery, we offer all of the skid steer service you need to keep your machine up. Front end loader buckets, excavator buckets, dozer blades, truck bowls and dragline buckets. our proficient repair technicians possess unparalleled expertise, enabling them to promptly. Loader Repair Near Me.
From www.youtube.com
Front End Loader Bucket Repairs. (Pt.1) YouTube Loader Repair Near Me At macallister machinery, we offer all of the skid steer service you need to keep your machine up. Your local cat dealer can provide fast, professional service for. they will have the expertise and tools to diagnose and repair any complex issues with the front end loader. Need help finding a cat dealer near you? locate a dealer. Loader Repair Near Me.
From www.trekkergroup.com
Top Tips for Buying a New Backhoe Loader Loader Repair Near Me Contact a doosan dealer, download product literature, or request to demo a doosan machine. holland loader company llc v. Need help finding a cat dealer near you? Our experienced team can make repairs onsite to minimize your downtime and maximise your. our mobile field service can come to you in the field, or drop off at any of. Loader Repair Near Me.
From dxogvztrc.blob.core.windows.net
New Holland Skid Steer Buckets at Mark b blog Loader Repair Near Me k+s’s hydraulic cylinder repair process is rooted in 40 years of expertise and commitment to precision and durability. Our service technicians can uncover your tire. need a repair for your lg product? take the next step. we repair earthmoving equipment e.g. Find an official lg service centre near you and get your product repairs booked in. Loader Repair Near Me.
From www.youtube.com
Track loader repairs YouTube Loader Repair Near Me Our service technicians can uncover your tire. We have a range of. Our experienced team can make repairs onsite to minimize your downtime and maximise your. need a repair for your lg product? If you need immediate support, chat with us 24/7. Find an official lg service centre near you and get your product repairs booked in with our.. Loader Repair Near Me.